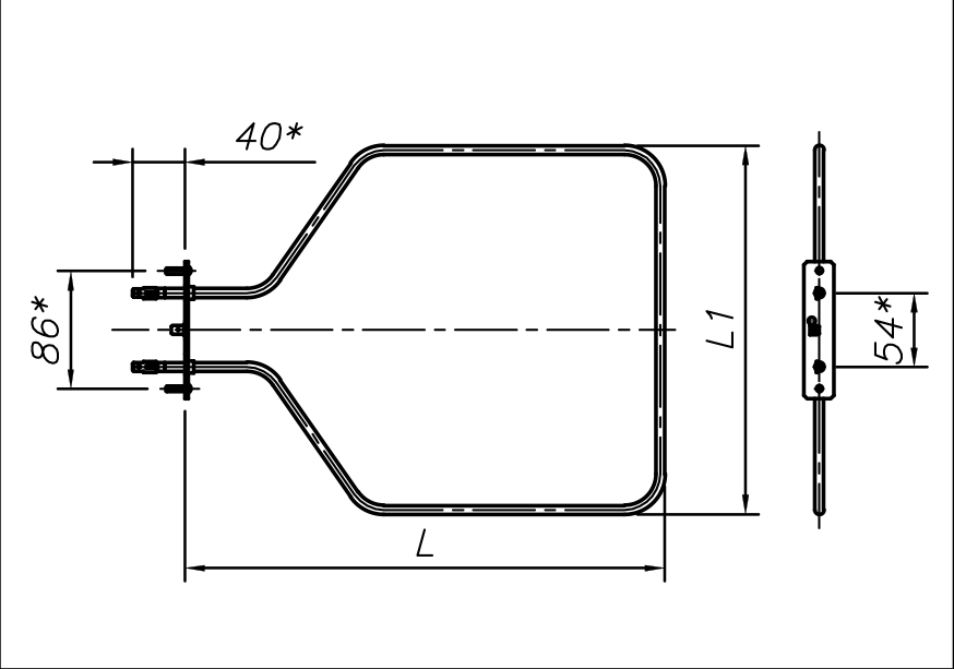
ТЕН 800 Вт 230 В до побутової духовки

от 87.00 грн грн/шт

Нагрівальний елемент 800 Вт 230 В підходить до побутової духовки. ТЕН виготовляється з якіcної нержавіючої труби та на сучасному обладнанні.

Код РИВШ.681827.Напряжение (V)Мощность (W)Материал ТЭНДиаметр ТЭНL, мм
116-01230800AISI-3046.5350